Litina s červíkovitým grafitem má ve struktuře zvláštní tvar grafitu a to červíkovitý či vermikulární grafit. Někdy obsahuje i malé množství nedokonale zrnitého grafitu (cca 20 % z celkového objemu vyloučeného grafitu). Matrice bývá nejčastěji perlitická, feritická, či kombinace obou složek, viz obrázek 29.
Chemické složení těchto litin se pohybuje okolo 3,2 až 4,2 % C, 1,5 až 4 % Si, 0,4 až 0,8 % Mn, pod 0,1 % P, pod 0,02 % S (stejně jako litina s kuličkovým grafitem).



Červíkovitý (vermikulární) grafit je morfologická varianta grafitu, nacházející mezi lupínkovitým a zrnitým grafitem. Je známý spíše jako nežádoucí forma vyloučeného grafitu v tvárné litině. Někdy se objevuje jako důsledek nedostatečného modifikování nebo při relativně vysokém obsahu síry.
Tato litina se mnohdy vyrábí záměrně a to o poměru min. 80 % červíkovitého grafitu a max. 20 % nedokonale nebo pravidelně zrnitého grafitu. Vyrábí se ze surovin, které odpovídají svým chemickým složením jako litina s kuličkovým grafitem. Požaduje se přibližně eutektické složení a nízký obsah síry (do 0,02 %).
Podstatou její výroby je způsob modifikace, který zabezpečí neúplnou sferoidizaci grafitu. Jsou známé čtyři hlavní druhy modifikování.
Po modifikování tvaru grafitu je potřebné vždy zařadit grafitizační očkování. Používají se přednostně očkovadla typu FeSi75, v množství 0,4 - 0,7 %. Výsledné tvary červíků mohou vypadat následovně (viz. obrázek 30).
![]() |
![]() |
![]() |
![]() |
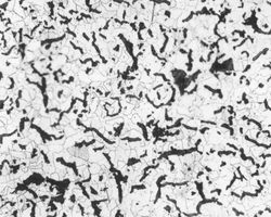
Struktura matrice litin s červíkovitým grafitem (viz obr. 31) v litém stavu závisí nejen na chemickém složení, ale i rychlosti ochlazování a na množství modifikátoru. Pro optimální modifikované odlitky je typická feriticko-perlitická matrice se 40 – 70 % feritu (obrázek 29b).

Mechanické vlastnosti této slitiny stojí mezi vlastnostmi litiny s lupínkovým a kuličkovým grafitem. Tato litina však není v České Republice normovaná. Podle DIN norem se rozeznává pouze pět druhů této litiny a to: GJV 300, GJV 350, GJV 400, GJV 450 a GJV 500. Mechanické vlastnosti jsou uvedeny v tabulce níže.
| Vlastnost | GJL-250 |
GJV-300
feritická
|
GJV-400
feriticko-perlitická
|
GJV-500
perlitická
|
GJS-700-2 |
| Rm, MPa | 250 | 300 | 400 | 500 | 700 |
| Rp0,2, MPa | - | 240 | 300 | 340 | 400 |
| A, % | 0,3 | 1,5 | 1,0 | 0,5 | 2,0 |
| E, GPa | 103 | 140 | 160 | 170 | 177 |
| Mez únavy,MPa | 60 | 100 | 135 | 175 | 245 |
| Tepelná vodivost,Wm-1K-1 | 45 | 45 | 40 | 35 | 30 |
Charakteristická kombinace vlastností předurčuje tuto litinu na výrobu tvarově složitých odlitků, pro které nepostačuje tvárná litina svými slévárenskými vlastnostmi a šedá litina svými mechanickými vlastnostmi. Další vhodné použití této slitiny je na mechanicky namáhané odlitky, které pracují v podmínkách tepelných rázů.
Hlavní aplikací litiny s vermikulárním grafitem jsou odlitky pro automobilový průmysl (hlavy válců, výfuky, ventilová pouzdra, pístové kroužky, bloky válců).
Dříve byly zkoušeny i metody tepelného zpracování pro zlepšení vlastností této litiny tj. na získání pevnější matrice (perlitické, bainitické, martenzitické, sorbitické). Bohužel však zvýšení pevnosti bylo doprovázené podstatným zkřehnutím struktury. Reálné využití ovlivnění mechanických vlastností lze očekávat pouze od perlitizačního či feritizačního žíhání, po kterém je zkřehnutí materiálu nejmenší.